Документы
Flantsy-Winkel-AP_Q-A_AP_Q-6
116,2 кб
Новинка
да
Производитель
?
Bosch Rexroth
Winkel
Страна
?
Германия
Германия
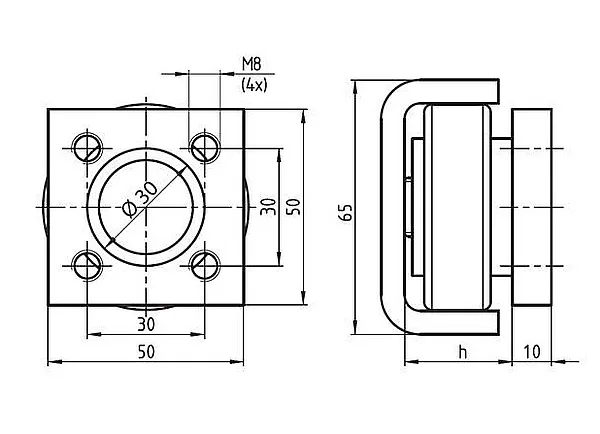
Наружный диаметр подшипника D, мм
52.5
Тип крепёжного фланца
AP S-Q
Тип подшипника
с фланцем
Тип профиля
Standard S
Вес, кг
0.66
