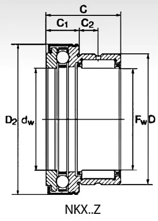
Комбинированный роликовый игольчатый подшипник, с упорным шарикоподшипником с защитным колпаком (для повышенных осевых нагрузок).
Документы
Igolchatye-podshipniki-NKX_NKXZ
99,4 кб
Производитель
?
Bosch Rexroth
Italcuscinetti Group
Страна
?
Германия
Италия
Диаметр вала, мм
15
Fw, мм
15
Наружный диаметр подшипника D, мм
24
Ширина наружной обоймы C, мм
23
D2, мм
?
7
29.2
Уплотнение
без уплотнения
C2, мм
6.5
Конструктивное исполнение
с колпаком
Предельная скорость (жидкое масло), об/мин
9 500
Коэффициент осевой нагрузки С0, N
16 000
Коэффициент осевой нагрузки С, N
10 000
Коэффициент радиальной нагрузки С0, N
12 000
Коэффициент радиальной нагрузки С, N
10 000
C1, мм
9
Сепаратор
стальной
Вес, г
47
