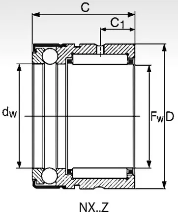
Комбинированный роликовый игольчатый подшипник, с осевым подшипником, полностью заполненным шариками с защитным колпаком (для средних осевых нагрузок).
Документы
Igolchatye-podshipniki-NX_NXZ
125,7 кб
Производитель
?
Bosch Rexroth
Italcuscinetti Group
Страна
?
Германия
Италия
Диаметр вала, мм
15
Fw, мм
15
Наружный диаметр подшипника D, мм
24
Ширина наружной обоймы C, мм
28
Уплотнение
без уплотнения
Конструктивное исполнение
с колпаком
Предельная скорость (жидкое масло), об/мин
8 000
Коэффициент осевой нагрузки С0, N
10 500
Коэффициент осевой нагрузки С, N
5 900
Коэффициент радиальной нагрузки С0, N
11 500
Коэффициент радиальной нагрузки С, N
10 500
C1, мм
8
Сепаратор
стальной
Вес, г
48
