Документы
Производитель
?
Bosch Rexroth
Sati
Страна
?
Германия
Италия
Количество зубьев
60
Профиль ремня
5M
Тип шкива
60-5M-15
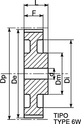
Ширина рабочей части шкива F, мм
20.5
Форма
6W
Диаметр пилотного отверстия d, мм
8
B, мм
95.46
F мм
20
De мм
94.35
Dm, мм
45
Условная ширина ремня, мм
15
Наибольший наружный диаметр Dp, мм
95.46
L, мм
30
Материал
Алюминий 6082 T6
Вес, кг
0.305
