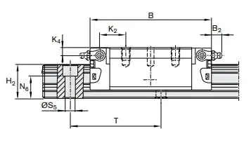
Алюминиевая шариковая каретка SNS, типоразмер 25, класс предварительного натяга C1, класс точности N, с легкоходовым уплотнением, с шариковой цепью.
Документы
Производитель
?
Bosch Rexroth
Страна
?
Германия
Германия
Типоразмер
?
25
25
Тип каретки
SNS
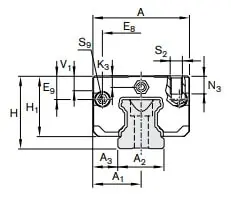
Высота системы H, мм
36
Высота каретки Н1, мм
29.9
Ширина каретки A, мм
48
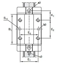
Длина каретки B, мм
86.2
Межцентровое по крепежу каретки E1, мм
35
Межцентровое по крепежу каретки E2, мм
35
Альтернативная маркировка Rexroth
SNS 25C1N
Вес, кг
0.35
