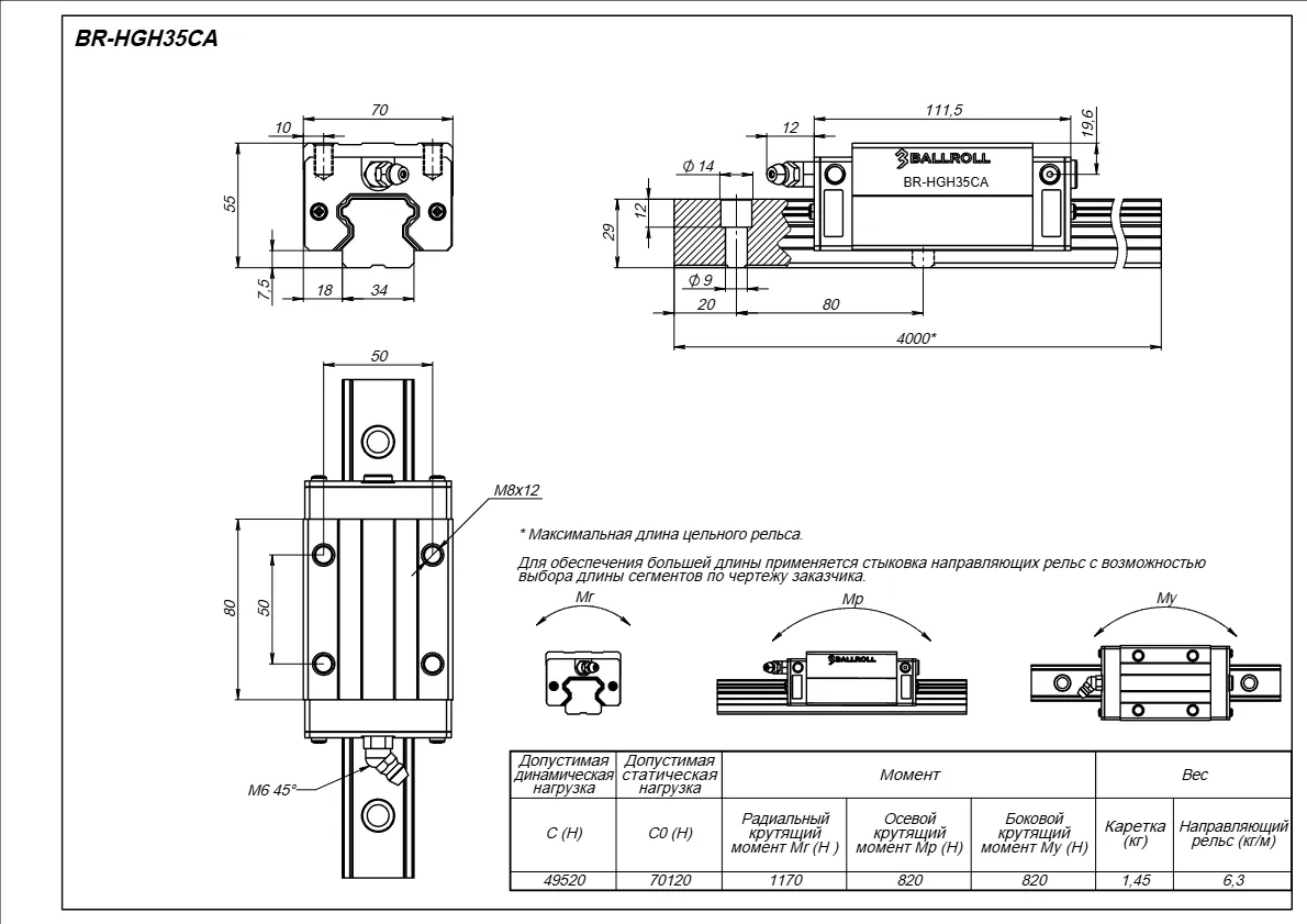
Каретка HG прямоугольная (H), типоразмер 35. Класс C, крепление сверху (A). Высота системы — 55 мм, каретки — 7,5 мм. Ширина — 70 мм, длина — 111,5 мм. Межцентровые расстояния: E1=50 мм, E2=80 мм. Вес — 1,45 кг. Подходит для точных промышленных систем.
Производитель
?
Bosch Rexroth
BALLROLL
Страна
?
Германия
Россия
Типоразмер
?
25
35
Тип каретки
Прямоугольная
Высота системы H, мм
55
Высота каретки Н1, мм
7,5
Ширина каретки A, мм
70
Длина каретки B, мм
111,5
Межцентровое по крепежу каретки E1, мм
50
Межцентровое по крепежу каретки E2, мм
80
Вес, кг
1,45
Вам также может понравиться
