Шариковая каретка SLS, типоразмер 65, класс предварительного натяга C1, класс точности H, со стандартным уплотнением, без шариковой цепи.
Документы
Производитель
?
Bosch Rexroth
Страна
?
Германия
Германия
Типоразмер
?
25
65
Тип каретки
SLS
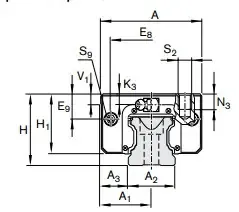
Высота системы H, мм
H
Высота каретки Н1, мм
76
Ширина каретки A, мм
126
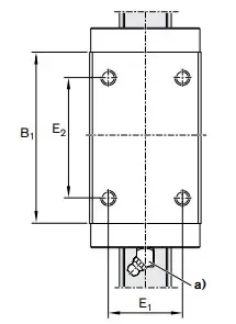
Длина каретки B, мм
243
Межцентровое по крепежу каретки E1, мм
76
Межцентровое по крепежу каретки E2, мм
120
Альтернативная маркировка Rexroth
SLS 65C1H
Вес, кг
9.8
