Шариковая каретка FLS, типоразмер 65, класс предварительного натяга C3, класс точности SP, со стандартным уплотнением, без шариковой цепи.
Документы
Производитель
?
Bosch Rexroth
Страна
?
Германия
Германия
Типоразмер
?
25
65
Тип каретки
FLS
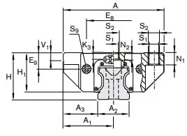
Высота системы H, мм
90
Высота каретки Н1, мм
76
Ширина каретки A, мм
170
Длина каретки B, мм
243
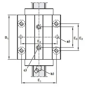
Межцентровое по крепежу каретки E1, мм
142
Межцентровое по крепежу каретки E2, мм
110
Альтернативная маркировка Rexroth
FLS 65C3SP
Вес, кг
14.15
