Шариковая суперкаретка SKS, типоразмер 35, класс предварительного натяга C1, класс точности N, со стандартным уплотнением, без шариковой цепи.
Документы
Производитель
?
Bosch Rexroth
Страна
?
Германия
Германия
Типоразмер
?
25
35
Тип каретки
SKS
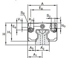
Высота системы H, мм
48
Высота каретки Н1, мм
40.4
Ширина каретки A, мм
70
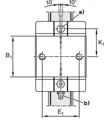
Длина каретки B, мм
84.9
Межцентровое по крепежу каретки E1, мм
50
Альтернативная маркировка Rexroth
SKS 35C1N
Вес, кг
0.9
