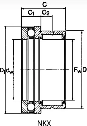
Комбинированный роликовый игольчатый подшипник, с упорным шарикоподшипником (для повышенных осевых нагрузок).
Документы
Igolchatye-podshipniki-NKX_NKXZ
99,4 кб
Производитель
?
Bosch Rexroth
Italcuscinetti Group
Страна
?
Германия
Италия
Диаметр вала, мм
45
Fw, мм
45
Наружный диаметр подшипника D, мм
58
Ширина наружной обоймы C, мм
32
D1, мм
?
11
65.2
Уплотнение
без уплотнения
C2, мм
9
Конструктивное исполнение
открытый
Предельная скорость (жидкое масло), об/мин
3 600
Коэффициент осевой нагрузки С0, N
67 000
Коэффициент осевой нагрузки С, N
27 000
Коэффициент радиальной нагрузки С0, N
51 000
Коэффициент радиальной нагрузки С, N
26 500
C1, мм
14
Сепаратор
стальной
Вес, г
252
