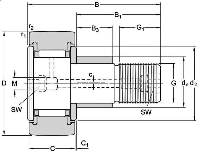
Опорные ролики с осевым направлением посредством края и направляющего подкладного кольца с эксцентриком и уплотнительными кольцами. Нескользящее уплотнение. Имеется отверстие для смазки.
Документы
Opornye-roliki-s-tsapfoy-KR_KRE_KRV
292,4 кб
Производитель
?
Bosch Rexroth
Italcuscinetti Group
Страна
?
Германия
Италия
Наружный диаметр D, мм
30
B, мм
40
C, мм
14
Предельная скорость (консистентная смазка), об/мин
5 500
Динамическая нагрузка Cr, Н
6 800
Статическая нагрузка C0, Н
8 400
G (резьба)
M12x1.5
Диаметр цапфы d1, мм
12
Вес, г
93
