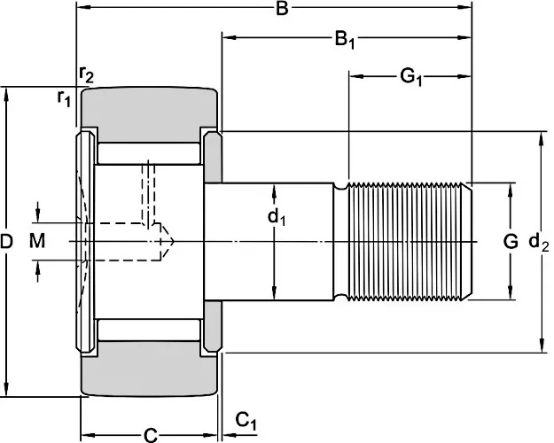
Опорные ролики с осевым направлением посредством края и направляющего подкладного кольца с полным заполнением игольчатых роликов. Нескользящее уплотнение. Имеется отверстие для смазки.
Документы
Opornye-roliki-s-tsapfoy-KR_KRE_KRV
292,4 кб
Производитель
?
Bosch Rexroth
Italcuscinetti Group
Страна
?
Германия
Италия
Наружный диаметр D, мм
26
B, мм
36
C, мм
12
Предельная скорость (консистентная смазка), об/мин
2 600
Динамическая нагрузка Cr, Н
7 300
Статическая нагрузка C0, Н
11 300
G (резьба)
M10x1
Диаметр цапфы d1, мм
10
Вес, г
57
