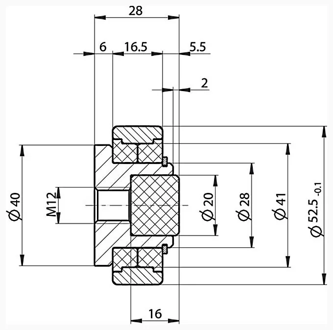
Фрикционные подшипники Winkel из нержавеющей стали и вставками OILAMID применяются в пищевой и фармацевтической отраслях, а также в контакте с агрессивными средами.
Производитель
?
Bosch Rexroth
Winkel
Страна
?
Германия
Германия
Наружный диаметр подшипника D, мм
52.5
Тип крепёжного фланца
AP S INOX
Тип подшипника
из нержавеющей стали
Тип профиля
Standard S INOX
Вес, кг
0.25
