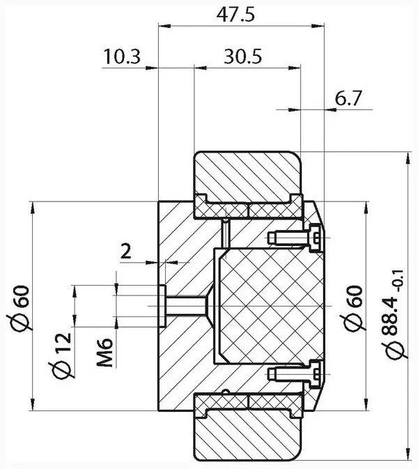
Фрикционные подшипники Winkel из нержавеющей стали и вставками OILAMID применяются в пищевой и фармацевтической отраслях, а также в контакте с агрессивными средами.
Производитель
?
Bosch Rexroth
Winkel
Страна
?
Германия
Германия
Наружный диаметр подшипника D, мм
88.4
Тип крепёжного фланца
AP 1 INOX
Тип подшипника
из нержавеющей стали
Тип профиля
Standard 3 INOX
Вес, кг
1.79
