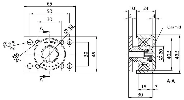
Аксиальные подшипники Winkel с покрытием POLYAMID и вставкой OILAMID с крепёжным фланцем характеризуются низким уровнем шума при работе и высокими скоростями до 5 м/сек., однако, стоит иметь в виду, что при повышении скорости перемещения нагрузочные характеристики снижаются. Максимальная рабочая температура 40oC.
Документы
pa4000_pa4000ap_pa5250
89,2 кб
Новинка
да
Производитель
?
Bosch Rexroth
Winkel
Страна
?
Германия
Германия
Наружный диаметр подшипника D, мм
40
Тип подшипника
с покрытием POLYAMID
Тип профиля
Standard A
Вес, кг
0.18
