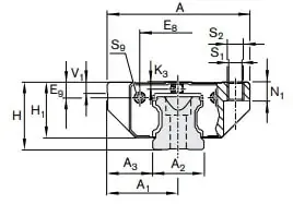
Шариковая каретка FKN, типоразмер 25, класс предварительного натяга C0, класс точности N, со стандартным уплотнением, без шариковой цепи.
Документы
Производитель
?
Bosch Rexroth
Страна
?
Германия
Германия
Типоразмер
?
25
25
Тип каретки
FKN
Высота системы H, мм
33
Высота каретки Н1, мм
26.5
Ширина каретки A, мм
73
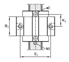
Длина каретки B, мм
62
Межцентровое по крепежу каретки E1, мм
60
Альтернативная маркировка Rexroth
FKN 25C0N
Вес, кг
0.45
