Документы
Производитель
?
Bosch Rexroth
Страна
?
Германия
Германия
Типоразмер
?
25
20
Тип каретки
SKN
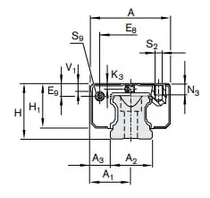
Высота системы H, мм
28
Высота каретки Н1, мм
23
Ширина каретки A, мм
42
Длина каретки B, мм
55
Межцентровое по крепежу каретки E1, мм
32
Межцентровое по крепежу каретки E2, мм
30.5
Вес, кг
0.2
