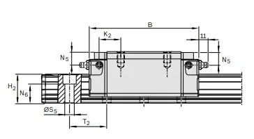
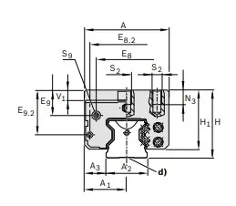
Стандартная стальная, узкая, длинная, роликовая, типоразмер 65, класс предварительного натяга 0,13 C, класс точности P, со стандартным уплотнением.
Производитель
?
Bosch Rexroth
Bosch Rexroth
Страна
?
Германия
Германия
Типоразмер
?
25
65
Тип каретки
Узкая, длинная
Высота системы H, мм
90
Высота каретки Н1, мм
76
Ширина каретки A, мм
126
Длина каретки B, мм
254
Межцентровое по крепежу каретки E1, мм
76
Межцентровое по крепежу каретки E2, мм
120
Вес, кг
12
