Стандартная стальная, длинная, роликовая , типоразмер 45, класс предварительного натяга 0,13 C, класс точности P, со стандартным уплотнением.
Производитель
?
Bosch Rexroth
Bosch Rexroth
Страна
?
Германия
Германия
Типоразмер
?
25
45
Тип каретки
Стандартной ширины, длинная
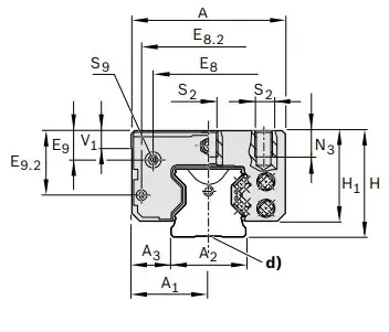
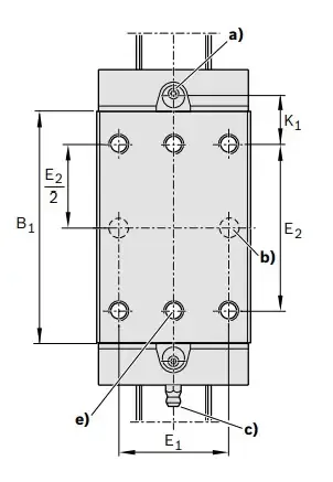
Высота системы H, мм
60
Высота каретки Н1, мм
51
Ширина каретки A, мм
120
Длина каретки B, мм
172.5
Межцентровое по крепежу каретки E1, мм
100
Межцентровое по крепежу каретки E2, мм
80
Вес, кг
4.7
