Стальная каретка для больших нагрузок, роликовая, стандартной ширины, типоразмер 125, класс предварительного натяга 0,13 C, класс точности H
Производитель
?
Bosch Rexroth
Bosch Rexroth
Страна
?
Германия
Германия
Типоразмер
?
25
125
Тип каретки
Стальные каретки для больших нагрузок
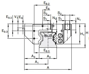
Высота системы H, мм
160
Высота каретки Н1, мм
135
Ширина каретки A, мм
320
Длина каретки B, мм
371
Межцентровое по крепежу каретки E1, мм
270
Межцентровое по крепежу каретки E2, мм
205
Вес, кг
62.1
