Стальная каретка для больших нагрузок, роликовая, стандартной ширины, длинная, типоразмер 125, класс предварительного натяга 0,13 C, класс точности P
Производитель
?
Bosch Rexroth
Bosch Rexroth
Страна
?
Германия
Германия
Типоразмер
?
25
125
Тип каретки
Стальные каретки для больших нагрузок, длинные
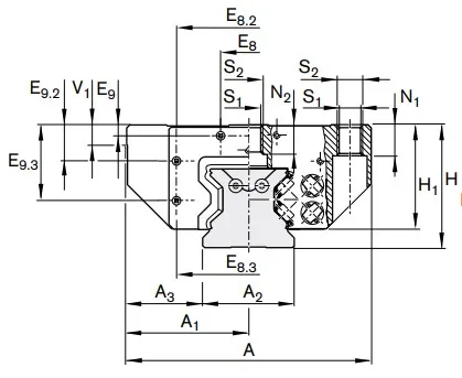
Высота системы H, мм
160
Высота каретки Н1, мм
135
Ширина каретки A, мм
320
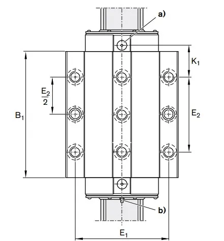
Длина каретки B, мм
476
Межцентровое по крепежу каретки E1, мм
270
Межцентровое по крепежу каретки E2, мм
205
Вес, кг
89.8
