Широкая стальная каретка, роликовая, типоразмер 55/85, класс предварительного натяга 0,13 C, класс точности P
Производитель
?
Bosch Rexroth
Bosch Rexroth
Страна
?
Германия
Германия
Типоразмер
?
25
55/85
Тип каретки
Широкие стальные каретки
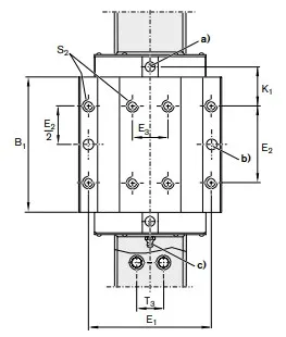
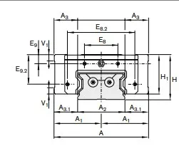
Высота системы H, мм
80
Высота каретки Н1, мм
68
Ширина каретки A, мм
166
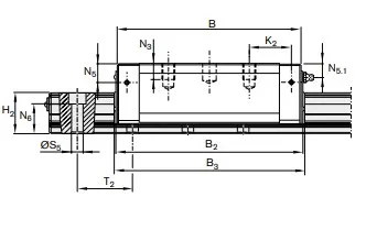
Длина каретки B, мм
205.5
Межцентровое по крепежу каретки E1, мм
140
Межцентровое по крепежу каретки E2, мм
95
Вес, кг
11.5
