Диапазон температур, °C: от -40° до +80°С.
Тип крепления: Стандартное.
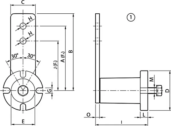
Угол поворота: ± 30 °.
Материал: пластик
Производитель
?
Bosch Rexroth
Sati
Страна
?
Германия
Италия
Тип
PX
Размер
40
D, мм
80
A, мм
130
E, мм
48
B, мм
155
C, мм
50
G, мм
?
15.2
11
M
M12
I, мм
106
Натяжное усилие на плече A, Н
от 0 до 790
Натяжное усилие на плече J, Н
от 0 до 1027
H, мм
12.5
J, мм
100
O, мм
8
L, мм
15
Вес, кг
0.73
